感应加热设备变频电源原理与电路原理图
简易12v高频加热电路原理图(一)
在此次所共享的感应加热设备开关电源光耦电路方案设计中,人们应用集成icIR2llO用以这种驱动器半桥串联谐振逆变电源的电路原理,给出图图1图示。
从图1中人们能够看见,在该电控系统中,VD是自举二级管,选用修复時间一百多纳秒、耐压试验在500V左右的超快恢复二极管10Ia16。CH是自举电容器,选用0.1μF的瓷器圆片电容器。CL是旁路电容,选用1个0.1μF的瓷器圆片电容器和1μF的贴片电解电容串联DD、VCC各自是键入级逻辑性开关电源和中低端輸出级开关电源,他们应用相同+12V开关电源,而VB是高档輸出级开关电源,它与VCC应用相同开关电源并根据自举技术性来造成。这里因为考虑到来到在输出功率MOSFET漏极造成的浪涌电压会根据漏栅极中间的米勒电容器藕合到栅极上热击穿栅极空气氧化层,因此在T1、T2的栅源之问接好12V稳压极管D1、D2以限定栅源工作电压,为此来维护输出功率M0SFET。

简单12v高频加热电路原理图(二)
负偏压与输出功率拓展电源电路
在掌握了这类感应加热设备开关电源的半桥串联谐振逆变电源设计图纸以后,接下去人们看来一下下怎样进行负偏压与输出功率拓展电源电路的设计方案工作中。下面的图中,图2得出了实际的负偏压与输出功率拓展电源电路。虚线右侧为输出功率拓展电源电路,选用俩对P沟道和N沟道MOSFETQ1、Q3和Q2、Q4,构成推挽式輸出构造。它是1个高输入阻抗的输出功率缓冲器,能够造成8A谷值輸出电流量,而且静态数据电流量是能够忽视的。
在这里一负偏压与输出功率拓展电路原理的运作全过程中,当键入数据信号为高电平时,Q2的栅极也为高电平,进而Q2通断,这就促使Q3的栅极转为低电平,那样Q3就通断,则輸出也为高电平;当键入数据信号为低电平时,Q1通断,这就促使Q4的栅极转为高电平,那样Q4就通断,则輸出也为低电平。在其中,Q1、Q2对Q3、Q4而言是1个低电流量的控制器,Q3、Q4是輸出三极管,他们的尺寸能够根据輸出谷值电流量的必须来开展挑选。当键入数据信号更改情况时,R1限定在几纳秒时问内两三极管另外通断时根据Q1、Q2的电流量。当键入变化到1个新的情况时,控制器三极管快速释放出来掉栅极的正电荷,强制性輸出三极管关闭。此外,另一个輸出三极管的栅极快速被R1电池充电,由R1和輸出三极管的键入电容器所组成的RC时间常数将会使通断延迟时间。

在上图图2中,人们能够看见,该系统软件的虚线左侧设计方案是负偏压电源电路。在这里一负偏压电控系统中,D1、C1和R2对Q2而言是1个电平转化器,C1、C3、D2和D3把键入数据信号转化成负的交流电压,进而产生空气压力参考点。下面的图图3得出了此电源电路实际的试验結果。在其中,安全通道1是IR2110輸出的驱动器数据信号波型,安全通道2是该驱动器数据信号历经负偏压与输出功率拓展电源电路后的輸出波型。

简单12v高频加热电路原理图(三)
驱动器数据信号占空比调整电源电路
在文中所设计方案的感应加热设备开关电源光耦电路系统软件中,这类根据IR2110集成ic所设计方案的半桥串联谐振逆变电源,关键选用M0SFET做为电源总开关元器件,电力电子器件MOSFET在电源电路中的设计方案见图1中的T1、T2。在这类半桥串联谐振逆变电源的控制回路中,人们关键选用锁相环电源电路来保持頻率追踪,可是,在这类电控系统中,锁相环MM74HC4046輸出数据信号的占空比为50%,若将其立即加进IR2110键入端得话,那麼輸出驱动器数据信号的占空比都是50%,将其加进电源总开关元器件T2、T2的门极以后,驱动器数据信号将会遭受路线杂散电感器、寄生电容及其该MOSFET输入阻抗、內部寄生电容等的危害,促使占空比超出50%,进而没法设定恰当的死区,不可以考虑半桥串联谐振逆变电源的一切正常驱动器规定。
愿意处理该电控系统中的占空比难题,人们能够应用1个相对来说非常简单的方式 ,那便是在光耦电路的前面加占空比调整(死区产生)电源电路。将加进IR2110键入web端驱动器操纵数据信号的的占空比越来越低于50%,促使加进T1、T2门极驱动器数据信号的占空比可灵便调整至略低50%,进而能够造成考虑具体运用必须的死区。实际的电源电路给出图图4图示。

根据图4所展现的占空比调整电路原理图中人们能够看见,在加上了调整电源电路后,这类感应加热设备开关电源的电控系统中,頻率追踪电源电路輸出的占空比为50%的方波数据信号经二级74HC14整形美容后,各自送人升高沿开启的JK触发器74HC109和由RC构成的死区调整电源电路,二者的輸出各自相与,就能够获得如图所示4图示的2组驱动器操纵数据信号,将他们各自送进IR2110的高、低键入端,就能够获得考虑具体应用规定的驱动器数据信号翻。
下面的图中,图5所显示信息的是历经这类占空比电源电路调整后的IR2110高、中低端驱动器数据信号。在实际的运用全过程中,技术工程师能够依据具体占空比的必须,根据调整电阻器而获得不一样的死区数据信号,因此也就能够获得不一样占空比的驱动器数据信号,也就是说能够获得不一样死区的驱动器数据信号。历经检测,此电源电路能够工作中在50kHz~5MHz頻率范围之内,占空比能够在25%一50%中间调整,它能够考虑绝大部分运用场所。

简单12v高频加热电路原理图(四)
下边详细介绍二种适用型的高频加热变频电源。图1得出了輸出頻率为200kHz、功率为1W的全自动封口机用高频加热变频电源的主树状图。
220v的交流电流经二级管和电容器过滤后,获得交流电压,做为全桥逆变电路的直流电侧键入工作电压。1GBT全桥逆变电路将直流电转换成200kHz的交流电流。将四代IGBT用以软电源开关串联谐振式逆变电路中,其电源开关頻率达到400kHz左右。变压器的作用是变压和使负荷与加温电磁线圈配对。加温电磁线圈选用多芯丝包线绕做成环形中空电磁线圈。
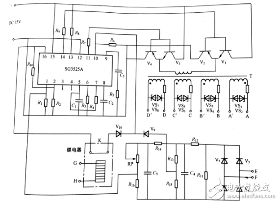
图2为驱动器及维护电源电路的电路原理图。图1中高频率电压互感器TA对串联谐振电流量开展取样,该取样电流量数据信号经图2中的快恢复二极管V5~V8的全桥整流器、电容器C4的过滤、电阻器Rl3和R15的分压电路,在过二级管V9加进SG3525A的脚位10(强制性关闭端)上,具有电流量维护功效。电容C4过滤后的电流量数据信号,再历经电容器C5的过滤、RP和R16的分压电路送往SG3525A的脚位l(偏差放大仪反坚信号键入端),调整电阻器RP,可调整功率和操纵加温速率。SG3525A是PWM操纵集成电路芯片,輸出电流量超过200mA,輸出浪涌电流达到土500mA,能够立即驱动器IGBT。輸出PWM差分信号頻率最大达到500kHz。具备软起动作用。

图1 全自动封口机用高频加热变频电源的主树状图

图2 驱动器及维护电源电路的电路原理图
整个设备选用大自然水冷却,以便减少满载时的功率,在系统软件中提升1个检验被加温件是不是根据加温电磁线圈的检验电源电路。当沒有被加温件根据加温电磁线圈时,汽车继电器K的常闭触点合闭,SG3525A脚位16(标准工作电压端)輸出的5V工作电压加进脚位10,PWM锁存器关闭,主电源电路輸出关闭。当被加温件从加温电磁线圈内根据时,检验电源电路輸出数据信号将汽车继电器K的常闭触点开启,SG3525A脚位16的5V工作电压已不加进脚位10,PWM锁存器去锁,系统软件处在加温情况。
图3得出了另一个这种高频加热变频电源的案例。它是这种金属材料针布感应加热设备变频电源的电路原理图。图中的主电源电路是二级管整流器串联谐振式1GBT逆变电路。该电源电路的关键特性是工作中在软电源开关情况,其原理在本网站的小文章中有详细介绍。

图3 金属材料针布感应加热设备变频电源的电路原理图
简单12v高频加热电路原理图(五)
每台从日本国带回家的100V电饭煲误插220V工作电压烧毁了,打开表盖见PCB线路板上1个15A保险管变黑烧坏,1个ZNY101压敏电阻崩裂,1个C107电解电容爆顶,PCB线路板二段去铜箔烧坏,把所述零部件更换,去铜箔连好,再测C107二端仍短路故障,按商品画出一部分路线给出图。
从图中能够看得出它是1个类似电磁炉原理用高频加热套锅的电饭煲,电压经桥式整流器后由L101、C102过滤给加温电磁线圈L102和C103构成的串联谐振控制回路及其电源开关管供电系统。RA1919是一块儿厚膜电源电路,电压由D101整流器经R115、R116、C107过滤给厚膜电源电路內部电源变压器供电系统,C108是电源变压器底压輸出滤波电容,C104、R106、R107是电源开关管D极工作电压抽样电源电路,R102和R103是电压整流器后的交流电压取样电阻,工作电压假如过低ZD101截至,Q1也截至,CPU获得工作电压过低数据信号终止工作中。IC104和IC105是2个光耦双向可控硅(不可以用一般光藕替代),操纵2个輔助电加热器,1个是顶盖电加热器,1个是隔热保温电加热器。D102、R101和光耦DC101构成交流电流过零检验电源电路,检验数据信号根据CN106线排送CPU、D是功率管和桥堆的冷却风扇,由CPU操纵其工作态度。TH101是功率管温度感应器。CN101是套锅过热商业保险高压熔断器,套锅过热时融断,线路板丧失开关电源终止工作中,要更换能够再次工作中。

C107两边短路故障表明厚膜电源电路內部电源变压器烧毁短路故障。此次沒有机遇解剖学一下下厚膜电源电路,具体按原理剖析将会烧毁的仅仅开关电源芯片,应当可以修补。
日本国的电压工作电压是100V,在一样输出功率时电流量要2.2倍于220V供电系统,因此保险管得用15A。这由于曾当过压时根据压敏电阻ZNY101的电流量巨大,这一电饭煲压敏电阻的规格型号偏小,一瞬间谷值电流量超出了压敏电阻的承受力,商品中压敏电阻被烧崩裂了,后边的元器件也被高工作电压烧毁了。