感应加热设备变频电源原理与电路原理图

发布者:吉宇鹏时间:2011-06-17 00:00:00
简易12v感应加热电路图吉宇鹏总结
自制高频加热机:内含电路图和视频
感应加热设备频率选择小知识
感应加热是个什么鬼-为何称它为黑科技
感应加热机是什么设备
 在工业生产运用中,高频加热是变频电源的1个关键主要用途。下边详细介绍二种适用型的高频加热变频电源。图1得出了輸出頻率为200kHz、功率为1W的全自动封口机用高频加热变频电源的主树状图。

      这是西安交通大学为电磁非触碰加温的全自动封口机而研制的。图中,220v的交流电流经二级管醫聯藺蹄和电容器过滤后,获得交流电压,做为全桥逆变电路的直流电侧键入工作电压。1GBT 全桥逆变电路将直流电转换成200kHz的交流电流。将四代IGBT用以软电源开关串联谐振式逆变电路中,其电源开关頻率达到400kHz左右。变压器的作用是变压和使负荷与加温电磁线圈配对。加温电磁线圈选用多芯丝包线绕做成环形中空电磁线圈。

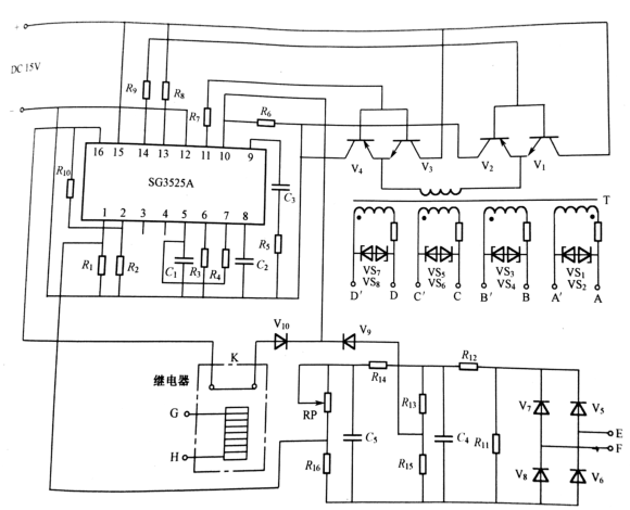
     图2为驱动器及维护电源电路的电路原理图。图1中高频率电压互感器 TA对串联谐振电流量开展取样,该取样 电 流数据信号经图2中的快恢复二极管V5~ V8的全桥整流器、电容器C4的过滤、电阻器Rl3和R15的分压电路,在过二级管V9加进 SG3525A的脚位10(强制性关闭端)上,具有 电流量维护功效。电容C4过滤后的电流量数据信号,再历经电容器C5的过滤、RP和R16的分压电路送往SG3525A的脚位l(偏差放大仪反坚信号键入端),调整电阻器RP,可调整功率和操纵加温速率。SG3525A是PWM操纵集成电路芯片,輸出电流量超过200mA,輸出浪涌电流达到土500mA,能够立即驱动器IGBT。輸出PWM差分信号頻率最大达到500kHz。具备软起动作用。

輸出,加温,变频电源,电源电路,电磁线圈 . 感应加热设备变频电源原理与电路原理图

 图1全自动封口机用高频加热变频电源的主树状图

輸出,加温,变频电源,电源电路,电磁线圈 . 感应加热设备变频电源原理与电路原理图

 图2  驱动器及维护电源电路的电路原理图

     整个设备选用大自然水冷却,以便减少满载时的功率,在系统软件中提升1个检验被加温件是不是根据加温电磁线圈的检验电源电路。当沒有被加温件根据加温电磁线圈时,汽车继电器 K的常闭触点合闭,SG3525A脚位16(标准工作电压端)輸出的5V 工作电压加进脚位10,PWM锁存器关闭,主电源电路輸出关闭。当被加温件从加温电磁线圈内根据时,检验电源电路輸出数据信号将汽车继电器 K的常闭触点开启,SG3525A脚位16的5V 工作电压已不加进脚位10,PWM锁存器去锁,系统软件处在加温情况。

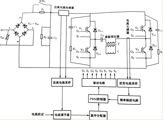
     图3得出了另一个这种高频加热变频电源的案例。它是这种金属材料感应加热设备变频电源的电路原理图。图中的主电源电路是二级管整流器串联谐振式1GBT逆变电路。该电源电路的关键特性是工作中在软电源开关情况,其原理在本网站的小文章中有详细介绍。

輸出,加温,变频电源,电源电路,电磁线圈 . 感应加热设备变频电源原理与电路原理图

 图3 金属材料感应加热设备变频电源的电路原理图
相关文章